Добро пожаловать, Гость
Логин: Пароль: Запомнить меня

ТЕМА:

Генераторы Тариэля Капанадзе (общая тема) 3 1 мес. 2 нед. назад #130584

DELAMORTO
Живу я здесь
Живу я здесь
Сообщений: 1883
Спасибо получено: 946
Для дебилов схематично-
Представьте что трансформатор это шестерня, провода- это передающая шестерня, а третья шестерня нагрузка - это классическая цепь трансформатор/лампа.
Теперь изменим условия, введем еще одну шестеренку, маленькую, но которая будет крутиться с большой частотой (ВЧ ТОК)- это усилитель тока Капанадзе!
Альфик может формулы подставить, если захочет теоретически обосновать это.


Так вот дебилы, внося вч ток в участок провода, мы меняем соотношение мощности- РЫЧАГ
Вложения:

Пожалуйста Войти или Регистрация, чтобы присоединиться к беседе.

Последнее редактирование: от DELAMORTO.

Генераторы Тариэля Капанадзе (общая тема) 3 1 мес. 2 нед. назад #130585

марк
Живу я здесь
Живу я здесь
Сообщений: 453
Спасибо получено: 149

Для дебилов схематично-
Представьте что трансформатор это шестерня, провода- это передающая шестерня, а третья шестерня нагрузка - это классическая цепь трансформатор/лампа.
Теперь изменим условия, введем еще одну шестеренку, маленькую, но которая будет крутиться с большой частотой (ВЧ ТОК)- это усилитель тока Капанадзе!
Альфик может формулы подставить, если захочет теоретически обосновать это.


Так вот дебилы, внося вч ток в участок провода, мы меняем соотношение мощности- РЫЧАГ

:blink: :blink: :whistle: А ? ВОНА НА КАК?!
вч ток откуда взялся? питается чем? :lol: :lol: :lol: :lol: :lol: :lol:

Пожалуйста Войти или Регистрация, чтобы присоединиться к беседе.

Последнее редактирование: от марк.

Генераторы Тариэля Капанадзе (общая тема) 3 1 мес. 2 нед. назад #130586

DELAMORTO
Живу я здесь
Живу я здесь
Сообщений: 1883
Спасибо получено: 946
Вот это и надо выяснять, а не хрень писать тупую!
dzen.ru/video/watch/...2921cb132c

Пожалуйста Войти или Регистрация, чтобы присоединиться к беседе.

Последнее редактирование: от DELAMORTO.

Генераторы Тариэля Капанадзе (общая тема) 3 1 мес. 2 нед. назад #130589

jay80
Живу я здесь
Живу я здесь
Сообщений: 483
Спасибо получено: 58

Для дебилов схематично-
Представьте что трансформатор это шестерня, провода- это передающая шестерня, а третья шестерня нагрузка - это классическая цепь трансформатор/лампа.
Теперь изменим условия, введем еще одну шестеренку, маленькую, но которая будет крутиться с большой частотой (ВЧ ТОК)- это усилитель тока Капанадзе!
Альфик может формулы подставить, если захочет теоретически обосновать это.


Так вот дебилы, внося вч ток в участок провода, мы меняем соотношение мощности- РЫЧАГ

Вложения:

Пожалуйста Войти или Регистрация, чтобы присоединиться к беседе.

Генераторы Тариэля Капанадзе (общая тема) 3 1 мес. 2 нед. назад #130590

марк
Живу я здесь
Живу я здесь
Сообщений: 453
Спасибо получено: 149

Вот это и надо выяснять, а не хрень писать тупую!
dzen.ru/video/watch/...2921cb132c

Как выяснишь напиши...:lol: :lol: :lol: :lol: :lol:
похоже тебя опять преследуют умные мысли....
Спасибо сказали: SMD

Пожалуйста Войти или Регистрация, чтобы присоединиться к беседе.

Последнее редактирование: от марк.

Генераторы Тариэля Капанадзе (общая тема) 3 1 мес. 2 нед. назад #130591

jay80
Живу я здесь
Живу я здесь
Сообщений: 483
Спасибо получено: 58

На явный самозапит, типа запуска от кроны, он перешёл когда "подтянул" схемотехнику!
Вернее ему подтянули...
Но вся суть осталась прежней!!! :whistle:

Пожалуйста Войти или Регистрация, чтобы присоединиться к беседе.

Генераторы Тариэля Капанадзе (общая тема) 3 1 мес. 2 нед. назад #130594

PALICH79
Давно я тут
Давно я тут
Сообщений: 91
Спасибо получено: 17
И вот опять по обсуждению Дела приближаемся к сварочника Буденного он также добавляет вч и ещё надо проверить что конденсатор 180мкф паралельно 220 в на частоте 50Гц в ходит в резонанс с трансформатором

Пожалуйста Войти или Регистрация, чтобы присоединиться к беседе.

Генераторы Тариэля Капанадзе (общая тема) 3 1 мес. 2 нед. назад #130595

DELAMORTO
Живу я здесь
Живу я здесь
Сообщений: 1883
Спасибо получено: 946

Вот это и надо выяснять, а не хрень писать тупую!
dzen.ru/video/watch/...2921cb132c

Как выяснишь напиши...:lol: :lol: :lol: :lol: :lol:
похоже тебя опять преследуют умные мысли....
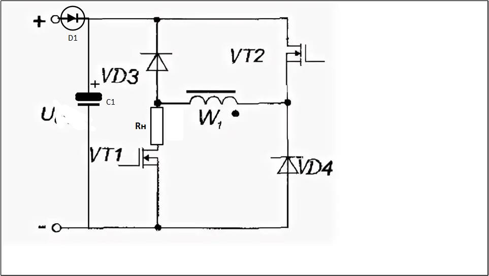
Для себя я давно все выяснил, а вот вы все в дебрях бродите!

Вот правильное использование съема тока с высоковольтной катушки, а не как рисовал ацюковский и смитт! Маленькая шестеренка, но с большой частотой.
Вложения:

Пожалуйста Войти или Регистрация, чтобы присоединиться к беседе.

Последнее редактирование: от DELAMORTO.

Генераторы Тариэля Капанадзе (общая тема) 3 1 мес. 2 нед. назад #130596

spaceon
Заблокирован
Заблокирован
Сообщений: 1123
Спасибо получено: 191

На явный самозапит, типа запуска от кроны, он перешёл когда "подтянул" схемотехнику!
Вернее ему подтянули...
Но вся суть осталась прежней!!! :whistle:
Лоховордзе в очередной раз подтвердил свою несостоятельность, вон идут провода к розетке! В видео банка вообще смех, провода от розетки идут прямо через банку в просверленных дырках в деревянном столу и нагрузку! В Турецкой установке питание подаётся от сети типа на клетку фарадея, коим не является, она передатчик беспроводной Тесла! В другой Турецкой установке батарейки спрятаны в катушках и всё
А знаете когда смеяться будете!? Когда узнаете что это всё фейк! . Са-са-сааа =). Есть кое что нормальное - ОЭДС, но это надо проверять.

Пожалуйста Войти или Регистрация, чтобы присоединиться к беседе.

Последнее редактирование: от spaceon.

Генераторы Тариэля Капанадзе (общая тема) 3 1 мес. 2 нед. назад #130597

Gonchar
Живу я здесь
Живу я здесь
Сообщений: 816
Спасибо получено: 180

На явный самозапит, типа запуска от кроны, он перешёл когда "подтянул" схемотехнику!
Вернее ему подтянули...
Но вся суть осталась прежней!!! :whistle:

Я же написал "от кроны" , а не от гирлянды крон...!!!:woohoo:

Пожалуйста Войти или Регистрация, чтобы присоединиться к беседе.

Генераторы Тариэля Капанадзе (общая тема) 3 1 мес. 2 нед. назад #130599

Gonchar
Живу я здесь
Живу я здесь
Сообщений: 816
Спасибо получено: 180

Мигание заметно только при небольшой мощности лампочек. При большой мощности инерционность спирали невелирует этот эфект.
...А при наличии демпфирующей (фильтрующей) ëмкости мигание отсутствует вовсе....
Так же можно просто увеличить частоту... :)

А мы видим такую емкость в гринбокса или банке?
Я уже даже не буду спрашивать ее номинал и габариты для той мощности, что выдал гринбокс или банка...
А мы видим увеличение выходной частоты в гринбоксе?
...

Мы видим лампочки по 500Вт, которые точно мерцать не будут... :)

....И не надо выдëргивать отдельные фразы из контекста...

Так и не надо подменять, то что есть на то, что может быть!!!
Вольтметр показывает нормальный выход...
Частотомер показывает нормальную частоту...
Лампы адекватно горят...
Капа говорит, уже не помню где, ...я использую входное напряжение...

Нет... надо говорить какую-то фигню про однополярку в гринбоксе... !!! :woohoo:
Продолжай...
Мне это уже не интересно... :sick:

Пожалуйста Войти или Регистрация, чтобы присоединиться к беседе.

Последнее редактирование: от Gonchar.

Генераторы Тариэля Капанадзе (общая тема) 3 1 мес. 2 нед. назад #130600

jay80
Живу я здесь
Живу я здесь
Сообщений: 483
Спасибо получено: 58

На явный самозапит, типа запуска от кроны, он перешёл когда "подтянул" схемотехнику!
Вернее ему подтянули...
Но вся суть осталась прежней!!! :whistle:

Я же написал "от кроны" , а не от гирлянды крон...!!!:woohoo:
Дурында:lol:

Размер на батарейках написан... :whistle:
Вложения:

Пожалуйста Войти или Регистрация, чтобы присоединиться к беседе.

Генераторы Тариэля Капанадзе (общая тема) 3 1 мес. 2 нед. назад #130601

Gonchar
Живу я здесь
Живу я здесь
Сообщений: 816
Спасибо получено: 180

...Размер на батарейках написан... :whistle:
Да... подзабыл чуток...
Но суть мысли от этого не поменялась...!

Пожалуйста Войти или Регистрация, чтобы присоединиться к беседе.

Генераторы Тариэля Капанадзе (общая тема) 3 1 мес. 2 нед. назад #130602

jay80
Живу я здесь
Живу я здесь
Сообщений: 483
Спасибо получено: 58

...Размер на батарейках написан... :whistle:
Да... подзабыл чуток...
Но суть мысли от этого не поменялась...!
Самозапит ,через механику проще сделать.

Пожалуйста Войти или Регистрация, чтобы присоединиться к беседе.

Генераторы Тариэля Капанадзе (общая тема) 3 1 мес. 2 нед. назад #130606

Gonchar
Живу я здесь
Живу я здесь
Сообщений: 816
Спасибо получено: 180

...Размер на батарейках написан... :whistle:
Да... подзабыл чуток...
Но суть мысли от этого не поменялась...!
Самозапит ,через механику проще сделать.

Все относительно...
Капа лепил из того, чо было доступно и все менял по мере набирания опыта...
Спасибо сказали: tokar_ev

Пожалуйста Войти или Регистрация, чтобы присоединиться к беседе.

*
Время создания страницы: 0.721 секунд