Добро пожаловать, Гость
Логин: Пароль: Запомнить меня

ТЕМА:

У меня интересная схема 3 мес. 1 нед. назад #127452

Муравей
Муравей аватар Автор темы
Живу я здесь
Живу я здесь
Сообщений: 1318
Спасибо получено: 229
Вот непруха Одна косичка коротит между собой и на два соседних ферритовых кольца
Отсюда слабое свечение одного светодиода Можно ее исключить Но подумал неизвестно
как она влияет на работу схемы Решил все катушки вытащить Промазать компаудом
кольца изнутри и обратный процесс Не повторяйте мою ошибку Думал и так сойдет

Пожалуйста Войти или Регистрация, чтобы присоединиться к беседе.

У меня интересная схема 3 мес. 6 дн. назад #127473

spaceon
Живу я здесь
Живу я здесь
Сообщений: 1187
Спасибо получено: 230
Муравей привет. Я что то не совсем понимаю, что даёт намотка косичкой?

Пожалуйста Войти или Регистрация, чтобы присоединиться к беседе.

У меня интересная схема 3 мес. 6 дн. назад #127480

dozor
Живу я здесь
Живу я здесь
Сообщений: 622
Спасибо получено: 287

Вот непруха Одна косичка коротит между собой и на два соседних ферритовых кольца
Отсюда слабое свечение одного светодиода Можно ее исключить Но подумал неизвестно
как она влияет на работу схемы Решил все катушки вытащить Промазать компаудом
кольца изнутри и обратный процесс Не повторяйте мою ошибку Думал и так сойдет
Хорош херней заниматься, уже се давно придумано. Если интересно пиши в личку.

Пожалуйста Войти или Регистрация, чтобы присоединиться к беседе.

У меня интересная схема 3 мес. 5 дн. назад #127497

Муравей
Муравей аватар Автор темы
Живу я здесь
Живу я здесь
Сообщений: 1318
Спасибо получено: 229
dozor оно у тебя есть или просто схему покажешь ? И всегда один сценарий
Косичка это катушка и конденсатор вместе Если взять обычный конденсатор то при его зарядке сразу
возникает противодействие С косичкой не так Заряды перемещаются все дальше и предыдущие заряды
не отталкивают вновь прибывшие Я не говорю что это идеал Может найдется еще лучшее решение
С катушкой из фольги много мороки

Пожалуйста Войти или Регистрация, чтобы присоединиться к беседе.

У меня интересная схема 3 мес. 3 дн. назад #127570

Муравей
Муравей аватар Автор темы
Живу я здесь
Живу я здесь
Сообщений: 1318
Спасибо получено: 229
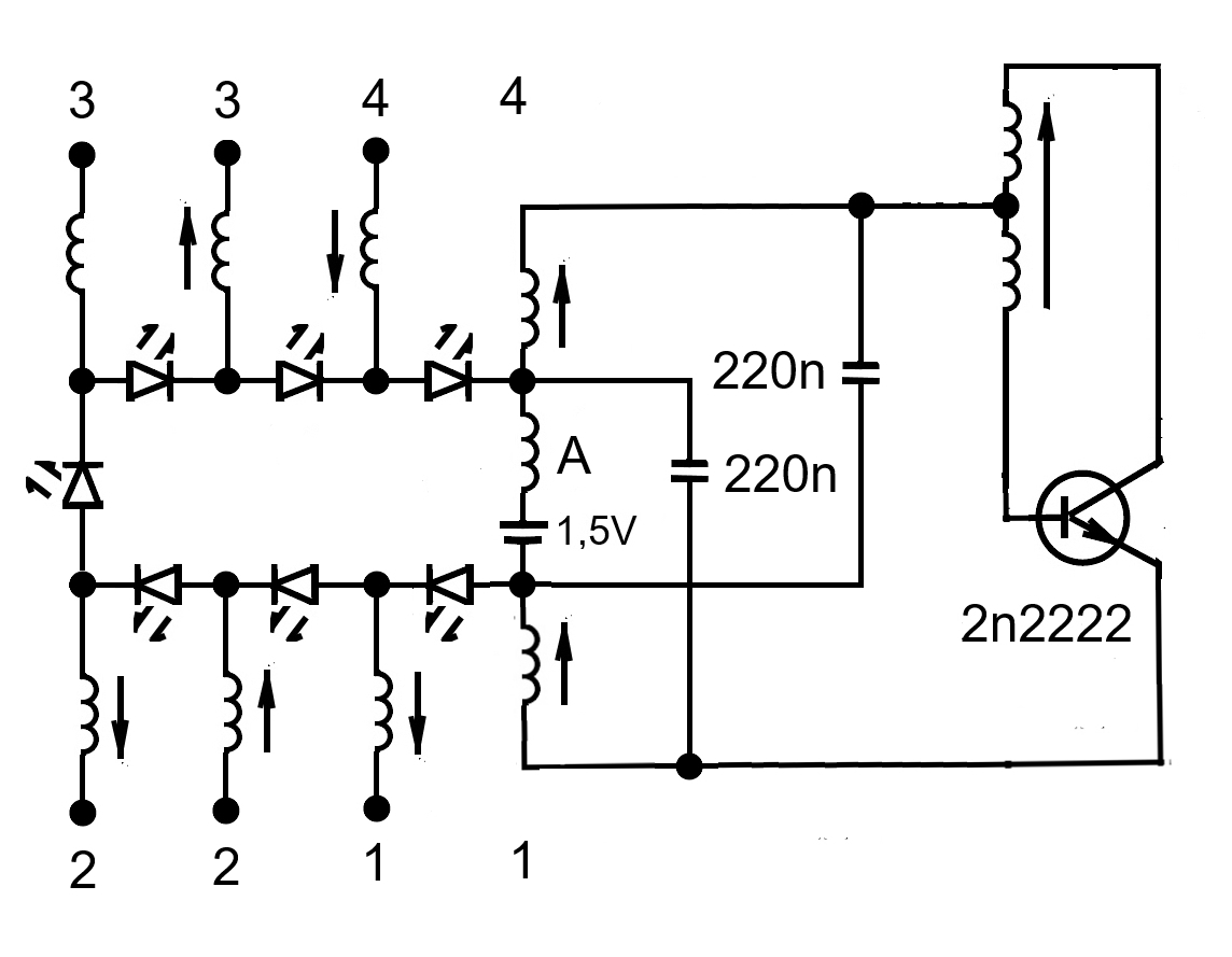
Эта схема потребляет 9 ма Отцепил все катушки от светодиодов и был поражен Свечение осталось прежним
Примерно 80% от полного Но потребление выросло ровно в два раза Все косички на воздухе Дроссель -фото
пост#117422
Вложения:

Пожалуйста Войти или Регистрация, чтобы присоединиться к беседе.

У меня интересная схема 2 мес. 3 нед. назад #127810

Муравей
Муравей аватар Автор темы
Живу я здесь
Живу я здесь
Сообщений: 1318
Спасибо получено: 229
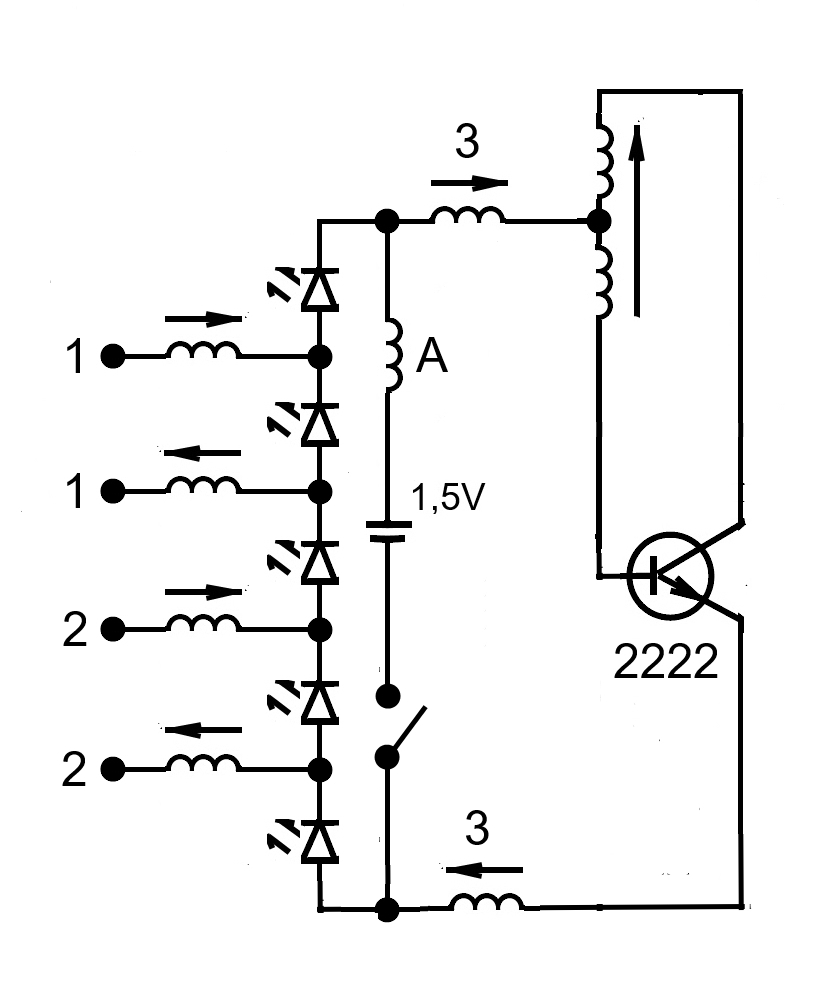
Этот дроссель -А- Решил с ним разобраться Взял катушку от промышленного реле на 380 в
Там 9000 витков Стал сматывать понемногу И ставил в схему вместо дросселя Следил за яркостью
Дошел до 1000 вит Надо было остановиться Но смотал еще 500 вит Пришлось вставить ферритовый
стержень внутрь Для увеличения индуктивности Согласитесь - 1000 вит это не так и много Можно
намотать вручную Яркость примерно 60 - 70 % Но зато ток Чуть больше 2 ма
Вложения:

Пожалуйста Войти или Регистрация, чтобы присоединиться к беседе.

У меня интересная схема 2 мес. 3 нед. назад #127989

Муравей
Муравей аватар Автор темы
Живу я здесь
Живу я здесь
Сообщений: 1318
Спасибо получено: 229
Думаю при такой схеме яркость увеличится Собираюсь проверить
Вложения:

Пожалуйста Войти или Регистрация, чтобы присоединиться к беседе.

У меня интересная схема 2 мес. 3 нед. назад #128062

Муравей
Муравей аватар Автор темы
Живу я здесь
Живу я здесь
Сообщений: 1318
Спасибо получено: 229
Ожидания не оправдались Но если вместо кондеров поставить светодиоды то они горят
Анодом вниз Остальные пригасают И еще схема стала видеть землю Светодиод между землей
и плюсом батарейки слабо светится То же самое между землей и эмиттером транзистора
Светодиод маломощный светит и в ту и в другую сторону В одну сторону ярче

Пожалуйста Войти или Регистрация, чтобы присоединиться к беседе.

У меня интересная схема 2 мес. 2 нед. назад #128063

A-tac
Живу я здесь
Живу я здесь
Сообщений: 440
Спасибо получено: 87

Ожидания не оправдались Но если вместо кондеров поставить светодиоды то они горят
Анодом вниз Остальные пригасают И еще схема стала видеть землю Светодиод между землей
и плюсом батарейки слабо светится То же самое между землей и эмиттером транзистора
Светодиод маломощный светит и в ту и в другую сторону В одну сторону ярче
rutube.ru/video/priv...77H5cfUlBQ
Посмотри, кривенько сделано, но.... вдруг осенит просветлением??????
Активирована функция "антитроллинг".
absolute disregard
Спасибо сказали: Муравей, марк

Пожалуйста Войти или Регистрация, чтобы присоединиться к беседе.

У меня интересная схема 2 мес. 2 нед. назад #128068

Rivaros
Живу я здесь
Живу я здесь
Сообщений: 642
Спасибо получено: 321

ВНИМАНИЕ: Спойлер!
Интересное видео, но только там логика чуть-чуть нарушена.
Энергия на искровик не идет с двух сторон - процесс уравнивания это передача энергии от большего к меньшему, то есть поток идет с одной стороны. Храмы имели шпили для создания эффекта благодати для собирающихся людей, как люстра Чижевского - если бы у человека оттягивали энергию, он туда бы шел добровольно?

Пожалуйста Войти или Регистрация, чтобы присоединиться к беседе.

У меня интересная схема 2 мес. 2 нед. назад #128069

A-tac
Живу я здесь
Живу я здесь
Сообщений: 440
Спасибо получено: 87

ВНИМАНИЕ: Спойлер!
Интересное видео, но только там логика чуть-чуть нарушена.
Энергия на искровик не идет с двух сторон - процесс уравнивания это передача энергии от большего к меньшему, то есть поток идет с одной стороны. Храмы имели шпили для создания эффекта благодати для собирающихся людей, как люстра Чижевского - если бы у человека оттягивали энергию, он туда бы шел добровольно?
....Поток электрической энергии идёт с двух сторон. Дуплетом. Всегда.
Активирована функция "антитроллинг".
absolute disregard

Пожалуйста Войти или Регистрация, чтобы присоединиться к беседе.

Последнее редактирование: от A-tac.

У меня интересная схема 2 мес. 2 нед. назад #128077

Rivaros
Живу я здесь
Живу я здесь
Сообщений: 642
Спасибо получено: 321

ВНИМАНИЕ: Спойлер!
Интересное видео, но только там логика чуть-чуть нарушена.
Энергия на искровик не идет с двух сторон - процесс уравнивания это передача энергии от большего к меньшему, то есть поток идет с одной стороны. Храмы имели шпили для создания эффекта благодати для собирающихся людей, как люстра Чижевского - если бы у человека оттягивали энергию, он туда бы шел добровольно?
....Поток электрической энергии идёт с двух сторон. Дуплетом. Всегда.
Ну да, энергия она есть энергия во всем и не только электрическая, это частный случай энергии, энергия течет в две стороны, особенно, когда вода движется сверху вниз или тепло идет от избытка к холоду, к недостатку.

Пожалуйста Войти или Регистрация, чтобы присоединиться к беседе.

У меня интересная схема 2 мес. 2 нед. назад #128079

Муравей
Муравей аватар Автор темы
Живу я здесь
Живу я здесь
Сообщений: 1318
Спасибо получено: 229
A-tac молодец Произвожу тебя сразу в генералы минуя промежуточные звания
Я и эксперимент провел Шариков не нашел Но есть катушка конусная Вернее там их две одна поверх другой
Намотка в разные стороны Поставил в разрыв между косичкой м светодиодами острый конец к светодиодам
Небольшое увеличение яркости
Но что с этим делать С ними конструкция становится большк
Вложения:

Пожалуйста Войти или Регистрация, чтобы присоединиться к беседе.

У меня интересная схема 2 мес. 2 нед. назад #128108

Не квадрат
Живу я здесь
Живу я здесь
Сообщений: 377
Спасибо получено: 177
...я вообще не пойму нафига заморачиваться с косичками - возьми литцендрат - все дело в скин-эффекте

Пожалуйста Войти или Регистрация, чтобы присоединиться к беседе.

У меня интересная схема 2 мес. 2 нед. назад #128110

Муравей
Муравей аватар Автор темы
Живу я здесь
Живу я здесь
Сообщений: 1318
Спасибо получено: 229
Литцендрат не по карману А про скин-эффект растолкуй

Пожалуйста Войти или Регистрация, чтобы присоединиться к беседе.

*
Время создания страницы: 0.566 секунд