Добро пожаловать, Гость
Логин: Пароль: Запомнить меня

ТЕМА:

У меня интересная схема 5 мес. 3 нед. назад #131726

Муравей
Муравей аватар Автор темы
Живу я здесь
Живу я здесь
Сообщений: 1339
Спасибо получено: 254
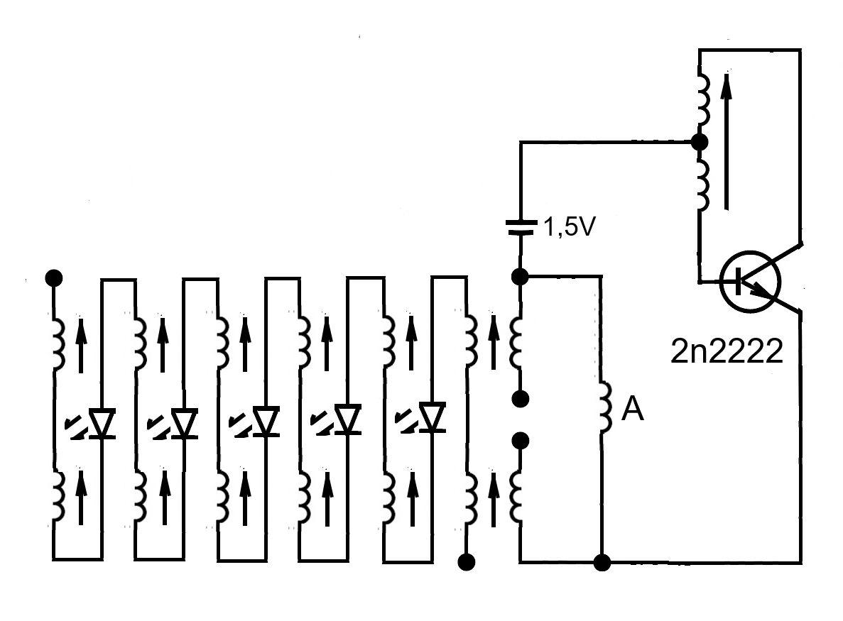
Понял как избавиться от дросселя Еще не пробовал Это идея Для этого два генератора и две батарейки
Общие у них две косички На самом деле их гораздо больше Поленился рисовать Это катушка- конденсатор
Пока один генератор ее не зарядит - другой не включится То есть они работают попеременно Нагрузка
между точками каждой пары Два светодиода -туда и обратно
Вложения:

Пожалуйста Войти или Регистрация, чтобы присоединиться к беседе.

У меня интересная схема 5 мес. 3 нед. назад #131744

Муравей
Муравей аватар Автор темы
Живу я здесь
Живу я здесь
Сообщений: 1339
Спасибо получено: 254
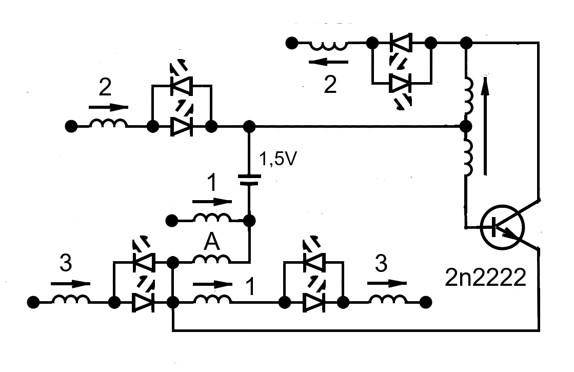
Проверил последнюю схему Работать-то она работает но потребление намного возросло Думал будет наоборот
Так бывает

Пожалуйста Войти или Регистрация, чтобы присоединиться к беседе.

У меня интересная схема 5 мес. 3 нед. назад #131760

allanova27
Осваиваюсь на форуме
Осваиваюсь на форуме
Сообщений: 39
Спасибо получено: 77
А, ПОПРОБУЙ - КА ВСЮ ЦЕНТРАЛЬНУЮ ЧАСТЬ СХЕМЫ ПЕРЕКЛЮЧИТЬ С ЭМИТЕРА НА КОЛЕКТОР ,мне кажется результат будет намного лучше .

Пожалуйста Войти или Регистрация, чтобы присоединиться к беседе.

У меня интересная схема 5 мес. 2 нед. назад #131786

Муравей
Муравей аватар Автор темы
Живу я здесь
Живу я здесь
Сообщений: 1339
Спасибо получено: 254
allanova27 по твоему совету перенес наверх часть схемы Может стало лучше Но точно не определить
Заинтересовался схемой с магнитами по Дональду Смиту Готовлю новый эксперимент Но без крутилки
Попробую прерывать магнитное поле магнитным полем но в другую сторону Перпендикулярно
Спасибо сказали: rkv

Пожалуйста Войти или Регистрация, чтобы присоединиться к беседе.

У меня интересная схема 5 мес. 2 нед. назад #131797

allanova27
Осваиваюсь на форуме
Осваиваюсь на форуме
Сообщений: 39
Спасибо получено: 77
Чем заниматься , конечно дело твое , но я прочитав весь форум , пришел к выводу , что ресурс твоих схем реализован неполностью .Без обид , я просто хочу тебе помочь ! Вот например стр . 164 № 117003 , схема то прекрасная,- она ведь и тебе самому понравилась ,- но развивать ее дальше - не захотел ( в мире так много всего интересного ) , да она имела развитие до стр. 174 № 121021 - 121040 . Но потом , ты ее оставил . А в чем вопрос ? -Вот работают 2 транзистора нагруженные на 2 трансформатора , но на них почему то по 2 обмотки - почему ? Если у всех у нас цель - САМОЗАПИТ ,- то , почему мы не используем полностью все магнитное поле ,- оно примерно в несколько раз больше самих магнитных катушек . Ведь можно на эти катушки намотать еще и другие катушки и снять больше энергии. Второй вопрос - почему только 10 -20 герц , - чем выше частота тем выше КПД . Кстати,- каждый трансформатор имеет свои резонансные частоты ,- а на них съем энергии во много раз больше но для этого надо найти резонанс . Ну об остальном в другой раз !

Пожалуйста Войти или Регистрация, чтобы присоединиться к беседе.

У меня интересная схема 5 мес. 2 нед. назад #131800

Муравей
Муравей аватар Автор темы
Живу я здесь
Живу я здесь
Сообщений: 1339
Спасибо получено: 254
allanova27 Заявленной теме я соответствую Развития там нет Улучшение- да Но не намного Почему бы тебе самому не взяться и доказать
Здесь большинство - диванные эксперты Занимаюсь только тем что интересно Я наверно эгоист

Пожалуйста Войти или Регистрация, чтобы присоединиться к беседе.

У меня интересная схема 5 мес. 2 нед. назад #131802

allanova27
Осваиваюсь на форуме
Осваиваюсь на форуме
Сообщений: 39
Спасибо получено: 77
ЖЕЛАЮ УДАЧИ ! ! !

Пожалуйста Войти или Регистрация, чтобы присоединиться к беседе.

У меня интересная схема 5 мес. 1 нед. назад #131957

Муравей
Муравей аватар Автор темы
Живу я здесь
Живу я здесь
Сообщений: 1339
Спасибо получено: 254
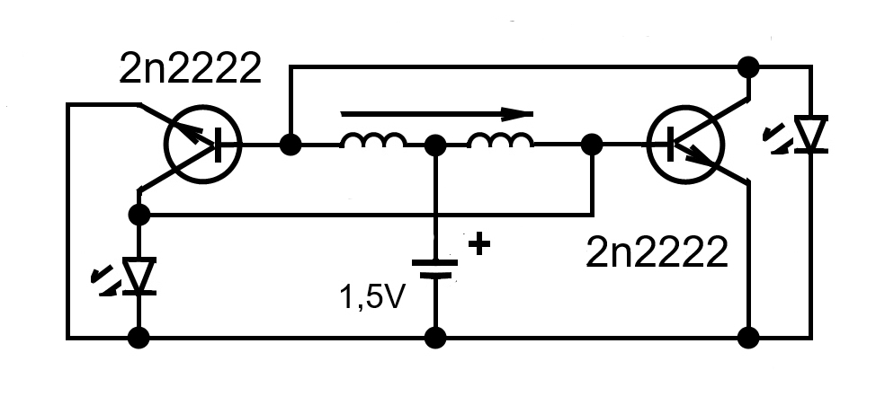
Еще не осознал что произошло Выкладываю как есть Здесь схема эксперимента Катушки генератора намотаны на магнитах от динамиков На каждой 500 витков провод 0,5
С левой стороны обычная косичка Приличная яркость светодиодов Катушки генератора могут быть отдельно Работа устойчивая На базу транзистора - север магнита
Но главное в другом Если катушки вместе и приблизить н ним с одной стороны железный брусок то яркость возрастает наверно в два раза Причем не плавно а скачком
Вложения:

Пожалуйста Войти или Регистрация, чтобы присоединиться к беседе.

У меня интересная схема 5 мес. 1 нед. назад #131960

Rivaros
Живу я здесь
Живу я здесь
Сообщений: 583
Спасибо получено: 285

Еще не осознал что произошло
А произошло следующее: уменьшилась индуктивность, увеличилась частота, увеличилось свечение светодиода, увеличился расход по питанию

Пожалуйста Войти или Регистрация, чтобы присоединиться к беседе.

У меня интересная схема 5 мес. 1 нед. назад #131962

Rivaros
Живу я здесь
Живу я здесь
Сообщений: 583
Спасибо получено: 285

ЖЕЛАЮ УДАЧИ ! ! !
Вот фонарик с изменениями от Расаветры. Ссылка работает.
Вложения:
Спасибо сказали: Муравей, webdelin

Пожалуйста Войти или Регистрация, чтобы присоединиться к беседе.

У меня интересная схема 5 мес. 1 нед. назад #131963

Муравей
Муравей аватар Автор темы
Живу я здесь
Живу я здесь
Сообщений: 1339
Спасибо получено: 254
Частота увеличилась Это да Но потребление всего 2ма

Пожалуйста Войти или Регистрация, чтобы присоединиться к беседе.

У меня интересная схема 5 мес. 1 нед. назад #132000

ulibnusjka
Давно я тут
Давно я тут
Сообщений: 117
Спасибо получено: 14

ЖЕЛАЮ УДАЧИ ! ! !
Вот фонарик с изменениями от Расаветры. Ссылка работает.

Привет,
Кто-то уже собрал ?
Получилось ?
=)

Пожалуйста Войти или Регистрация, чтобы присоединиться к беседе.

У меня интересная схема 5 мес. 1 день назад #132088

Муравей
Муравей аватар Автор темы
Живу я здесь
Живу я здесь
Сообщений: 1339
Спасибо получено: 254
Оказалось что косичка не нужна Вместо нее поставил конусную катушку Все то же самое Даже немного лучше
Речь идет о последней схеме пост #131957 Когда-то фотку этой катушки выкладывал Два слоя Намотка в разные стороны
Острый конец внизу у обоих Это значит что размеры фонарика могут быть меньше

Пожалуйста Войти или Регистрация, чтобы присоединиться к беседе.

У меня интересная схема 4 мес. 3 нед. назад #132323

Муравей
Муравей аватар Автор темы
Живу я здесь
Живу я здесь
Сообщений: 1339
Спасибо получено: 254
Эта схема должна работать при низком напряжении А если применить германиевые транзисторы то вообще
Главное при снижении не выключать Катушка всегда будет работать на своем резонансе
Вложения:

Пожалуйста Войти или Регистрация, чтобы присоединиться к беседе.

У меня интересная схема 3 мес. 4 нед. назад #132930

Муравей
Муравей аватар Автор темы
Живу я здесь
Живу я здесь
Сообщений: 1339
Спасибо получено: 254
Здесь схема эксперимента Вместо дросселя применил две готовые катушки отклоняющей системы на родном феррите
Мысленно разделим этот феррит на две половинки и как на две палки мотаем совершенно одинаковые обмотки Затем
эти палки изгибаем обратно в кольцо Фактически надо одну стрелку перевернуть Так нарисовал для наглядности
В верхней части кольца встречные магнитные потоки В нижней то же самое другой полярности Они стремятся соединиться
по воздуху Ставим в это место катушку со светодиодом В катушке ферритовый стержень Но этого мало Мизерный ток
Добавляем три магнита Светодиод засветился Видно на второй фотке снизу Теперь ясно как использовать энергию магнита
Вложения:

Пожалуйста Войти или Регистрация, чтобы присоединиться к беседе.

Время создания страницы: 0.468 секунд