Добро пожаловать, Гость
Логин: Пароль: Запомнить меня

ТЕМА:

Генераторы Тариэля Капанадзе (общая тема) 3 1 мес. 3 нед. назад #133727

DELAMORTO
Живу я здесь
Живу я здесь
Сообщений: 1905
Спасибо получено: 907
Полученный ВЧ ток должен быть модулирован в НЧ 50герц. По сути это перекидывания полученного тока вверх\низ по амплитуде.
dzen.ru/video/watch/...1b59a91b7b

Это надо для самозапита через трансформатор зарядки акума.

А ток получают создавая тягу в кабеле заземления. Чем больше диаметр резонатора тем больше качает, как в двигателе- поршень больше и выше его частота тем мощность больше. Я поэтому спрашивал какой диаметр у банки Капанадзе.
dzen.ru/video/watch/...770ad6fbf1

Все! И не надо никакой херни выдумывать!

Трубка медная создает дополнительную тягу зарядов из земли, по тому же принципу как обычная горелка подогревает бензосмесь перед поджигом....Ну или эффект Линде! Гуглите кому надо.
Спасибо сказали: SMD

Пожалуйста Войти или Регистрация, чтобы присоединиться к беседе.

Последнее редактирование: от DELAMORTO.

Генераторы Тариэля Капанадзе (общая тема) 3 1 мес. 3 нед. назад #133733

DELAMORTO
Живу я здесь
Живу я здесь
Сообщений: 1905
Спасибо получено: 907

Ничего сосать из земли не надо, если по уму все сделать....
И Капа это доказал...
Сосет, но не только из земли. Другие принципы хз, не вижу, хотя подозреваю что есть.
Но эффект Линде налицо, педалит тягу !

Если очень грубо, чисто для понимания как возникает тяга с "подогревом" то вот рисунок. А вот как модулировать....я воздержусь пока)))
Вложения:

Пожалуйста Войти или Регистрация, чтобы присоединиться к беседе.

Последнее редактирование: от DELAMORTO.

Генераторы Тариэля Капанадзе (общая тема) 3 1 мес. 3 нед. назад #133736

SMD
Живу я здесь
Живу я здесь
Сообщений: 739
Спасибо получено: 114

Ничего сосать из земли не надо, если по уму все сделать....
И Капа это доказал...
Сосет, но не только из земли. Другие принципы хз, не вижу, хотя подозреваю что есть.
Но эффект Линде налицо, педалит тягу !

Если очень грубо, чисто для понимания как возникает тяга с "подогревом" то вот рисунок. А вот как модулировать....я воздержусь пока)))

дэламорто покажи на схеме как падключается нагрузка .
Спасибо сказали: Kangen

Пожалуйста Войти или Регистрация, чтобы присоединиться к беседе.

Генераторы Тариэля Капанадзе (общая тема) 3 1 мес. 3 нед. назад #133742

DELAMORTO
Живу я здесь
Живу я здесь
Сообщений: 1905
Спасибо получено: 907


хорошо, српшу по другому . где , как у капанадзы , в тваю схему входит и выходит 220 вольт ?
Так же как на моем видео с модуляцией- один в один!

Пожалуйста Войти или Регистрация, чтобы присоединиться к беседе.

Генераторы Тариэля Капанадзе (общая тема) 3 1 мес. 3 нед. назад #133743

DELAMORTO
Живу я здесь
Живу я здесь
Сообщений: 1905
Спасибо получено: 907
Качер , если по схеме смотреть, излучает частоту через медную трубку, она должна иметь определенную массу, чтобы разряда не было сразу.
Трубка частотой воздействует на катушку заземленную, так как антенной работает тоже. Эта частота совпадает с несущей частотой качера- АВТОМАТИЧЕСКИЙ РЕЗОНАНС.
Качер усиливает эту частототу. На видео видно что фитон ярче загорается при подключении лампы. Доп энергия поступает опять в антенну передающую и наводится на катушку с заземлением, объем энергии возрастает. Установка сама себя накручивает как бы ПОС получается. Как только тока будет много, а он регулируется разрядником, до пробоя - будет пробой и так поддерживается заданный уровень энергии. Модуляция уже подключается как я на видео показал, когда тока будет достаточно- при разрядах.

Про модуляцию скажу одно- траф железный он две роли выполняет- фильтр вч и источник ЭДС.

Пожалуйста Войти или Регистрация, чтобы присоединиться к беседе.

Последнее редактирование: от DELAMORTO.

Генераторы Тариэля Капанадзе (общая тема) 3 1 мес. 3 нед. назад #133779

пан Дора
Живу я здесь
Живу я здесь
Сообщений: 863
Спасибо получено: 209
И еще: DELAMORTO, у тебя в телеграм-канале есть картинка с блоком конденсаторов в турецкой установкой, не синей, а той в которой есть колона с шаром наверху. А клоун говорит, что эта установка не Капанадзе. Что скажешь?
Де знайти і як здобути те, чого не може бути?

Пожалуйста Войти или Регистрация, чтобы присоединиться к беседе.

Генераторы Тариэля Капанадзе (общая тема) 3 1 мес. 3 нед. назад #133782

SMD
Живу я здесь
Живу я здесь
Сообщений: 739
Спасибо получено: 114


хорошо, српшу по другому . где , как у капанадзы , в тваю схему входит и выходит 220 вольт ?
Так же как на моем видео с модуляцией- один в один!

значит ни как . мда .

Пожалуйста Войти или Регистрация, чтобы присоединиться к беседе.

Генераторы Тариэля Капанадзе (общая тема) 3 1 мес. 3 нед. назад #133790

DELAMORTO
Живу я здесь
Живу я здесь
Сообщений: 1905
Спасибо получено: 907

Качер , если по схеме смотреть, излучает частоту через медную трубку, она должна иметь определенную массу, чтобы разряда не было сразу.
Трубка частотой воздействует на катушку заземленную, так как антенной работает тоже. Эта частота совпадает с несущей частотой качера- АВТОМАТИЧЕСКИЙ РЕЗОНАНС.
Качер усиливает эту частототу. На видео видно что фитон ярче загорается при подключении лампы. Доп энергия поступает опять в антенну передающую и наводится на катушку с заземлением, объем энергии возрастает. Установка сама себя накручивает как бы ПОС получается. Как только тока будет много, а он регулируется разрядником, до пробоя - будет пробой и так поддерживается заданный уровень энергии. Модуляция уже подключается как я на видео показал, когда тока будет достаточно- при разрядах.

Про модуляцию скажу одно- траф железный он две роли выполняет- фильтр вч и источник ЭДС.
Дай, пожалуйста, адрес видео, а то рыскаю по теме, а найти не могу.
Ищите и обрящите )))Оно не далеко...
Еще один понял, но его клоуны тут же осадили ))) realstrannik.com/for...830#256833

Пожалуйста Войти или Регистрация, чтобы присоединиться к беседе.

Последнее редактирование: от DELAMORTO.

Генераторы Тариэля Капанадзе (общая тема) 3 1 мес. 3 нед. назад #133793

SMD
Живу я здесь
Живу я здесь
Сообщений: 739
Спасибо получено: 114


хорошо, српшу по другому . где , как у капанадзы , в тваю схему входит и выходит 220 вольт ?
Так же как на моем видео с модуляцией- один в один!

значит ни как . мда .
Тебе какая разница? Ты не собиратель, ты писатель. Скажу тем кто соберет.

дэламорто я знаю то о чем спрашиваю , я вижу куда и что нужно поставить . а ты как кулабухов руся ничего сказать не можешь , нуль . мне не нужен был ответ от тебя по твоей схеме . и я получил ево и тебя понял . мне нужно было посмотреть какой ответ ты даш . :)

Пожалуйста Войти или Регистрация, чтобы присоединиться к беседе.

Генераторы Тариэля Капанадзе (общая тема) 3 1 мес. 3 нед. назад #133795

SMD
Живу я здесь
Живу я здесь
Сообщений: 739
Спасибо получено: 114

ВНИМАНИЕ: Спойлер!

улыбнушка поясняй и обоснуй как это относится к капанадзэ . тока не заходи из далека а говори кратко .

Привет,
Догадайся с трёх раз сам.
Успехов.

не нужно тут догадываца . все написано в патенте капанадзы черными буквами по белеой бумаге - открываешь патент и во первых строках патента читаешь про ген . все в открытом доступе , а ты делаешь какую то тайну из информации каторая не стОит левого выединого яйца .

один с адидасом три палоски носица создавая какую то тайну из извеснова всем факта . другой - генератор первый раз увидел , эка невидаль и с горящими от удивления глазами показывает всем . третий нарисовал схему а как в нее подать нужные 220в и после усиления тока получить на выходе те же 220в не знает , потамушта не читает первоисточники а выводы делает из слов сказанных другими людинами - своево мнения нет , всех кто не нравица клоунами называет -ты в зеркало гляди хоть иногда . :)
Спасибо сказали: maxic81

Пожалуйста Войти или Регистрация, чтобы присоединиться к беседе.

Последнее редактирование: от SMD.

Генераторы Тариэля Капанадзе (общая тема) 3 1 мес. 3 нед. назад #133797

DELAMORTO
Живу я здесь
Живу я здесь
Сообщений: 1905
Спасибо получено: 907
Да кто сказал что не знаю? Я показал на видео как это делаю, с осциллограммами ! Русским языком написал - расскажу тем кто делает, а не балаболит, когда увижу .
Вот тянуть из меня не надо, бесполезно.
dzen.ru/video/watch/...1b59a91b7b

Клоуны- это не только рыжий...но и остальные тупари , не вникающие в суть, не видящие что собирают, не понимающие что собрали. Но больше всех орущие и делающие сокровенную тайну для таких же идиотов, кто их смотрит и читает.

Пожалуйста Войти или Регистрация, чтобы присоединиться к беседе.

Последнее редактирование: от DELAMORTO.

Генераторы Тариэля Капанадзе (общая тема) 3 1 мес. 2 нед. назад #133825

пан Дора
Живу я здесь
Живу я здесь
Сообщений: 863
Спасибо получено: 209
DELAMORTO, ты у себя в телеграм-канале написал: "Это добавить к схеме выше и будет капанадзе в чистом виде!". Извини, я тебя разочарую: не будет. Из того, что ты показал (схему) - не будет. Первое: нужно понять, откуда берется энергия и что она собой представляет; второе: как ее преобразовать в электрический ток. Капандзе говорил как. У тебя этого нет (во всяком случае я этого не вижу). Об источнике он говорил весьма обобщенно (из окружающей среды). Есть более конкретное место ...
Де знайти і як здобути те, чого не може бути?

Пожалуйста Войти или Регистрация, чтобы присоединиться к беседе.

Последнее редактирование: от пан Дора.

Генераторы Тариэля Капанадзе (общая тема) 3 1 мес. 2 нед. назад #133829

DELAMORTO
Живу я здесь
Живу я здесь
Сообщений: 1905
Спасибо получено: 907

DELAMORTO, ты у себя в телеграм-канале написал: "Это добавить к схеме выше и будет капанадзе в чистом виде!". Извини, я тебя разочарую: не будет. Из того, что ты показал (схему) - не будет. Первое: нужно понять, откуда берется энергия и что она собой представляет; второе: как ее преобразовать в электрический ток. Капандзе говорил как. У тебя этого нет (во всяком случае я этого не вижу). Об источнике он говорил весьма обобществленно (из округающей среды). Есть более конкретное место ...
Нет не извиняю! За столько лет давно пора понять было то что грузин говорит. Второе принцип опорной тяги- это его самый первый, но не единственный способ.Об этом в скайпе говорили давно давно с ним.
Харе тупить! Учить меня будут, сами что получили? Демонстрируйте - учителя мля ! Учат те- у которых есть что, акромя капанадзе тут авторитетов нет, а его тоже нет! То что слушаю только себя .

Пожалуйста Войти или Регистрация, чтобы присоединиться к беседе.

Последнее редактирование: от DELAMORTO.

Генераторы Тариэля Капанадзе (общая тема) 3 1 мес. 2 нед. назад #133839

Niko
Пользователь заблокирован
Пользователь заблокирован
Сообщений: 288
Спасибо получено: 44

К .....

Про модуляцию скажу одно- траф железный он две роли выполняет- фильтр вч и источник ЭДС.
Извини, но не понял, железный транс??? А нахрена вокруг него индуктор? Он же, индуктор ВЧ, а на ВЧ транс на железном сердечнике не среагирует.

Пожалуйста Войти или Регистрация, чтобы присоединиться к беседе.

Последнее редактирование: от Niko.

Генераторы Тариэля Капанадзе (общая тема) 3 1 мес. 2 нед. назад #133842

DELAMORTO
Живу я здесь
Живу я здесь
Сообщений: 1905
Спасибо получено: 907

К .....Про модуляцию скажу одно- траф железный он две роли выполняет- фильтр вч и источник ЭДС.
Извини, но не понял, железный транс??? А нахрена вокруг него индуктор? Он же, индуктор ВЧ, а на ВЧ транс на железном сердечнике не среагирует.
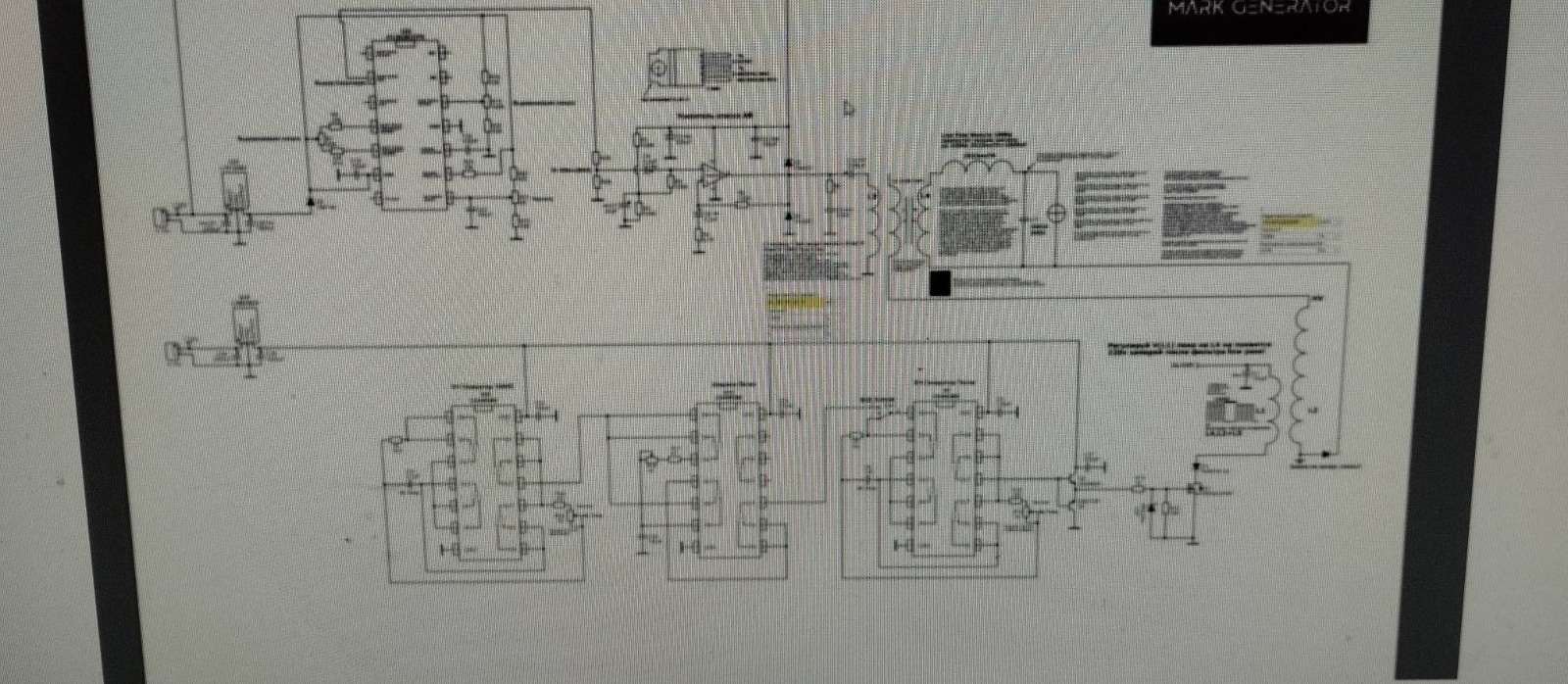
Траф железный на схеме вообще не показан, там только катушки. Вот эта катушка на схеме-

Вложения:

Пожалуйста Войти или Регистрация, чтобы присоединиться к беседе.

Последнее редактирование: от DELAMORTO.
Время создания страницы: 0.550 секунд