Добро пожаловать, Гость
Логин: Пароль: Запомнить меня

ТЕМА:

SR 193 - КАПА 5 ч. 34 мин. назад #131024

chiksat
chiksat аватар Автор темы
Модератор
Модератор
Сообщений: 1280
Спасибо получено: 525
Бумбарь когда права модератора даш (если) :P я тут половину, а то и больше потру, можно схему Пантюхова в твоей ветке Капанадзе разбирать,

Пожалуйста Войти или Регистрация, чтобы присоединиться к беседе.

SR 193 - КАПА 5 ч. 28 мин. назад #131025

Юрий м
Живу я здесь
Живу я здесь
Сообщений: 975
Спасибо получено: 86

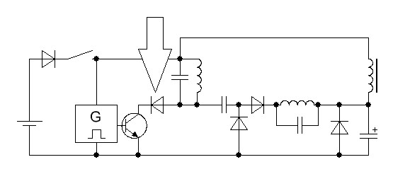
если на выходе появится больше. энергия пойдёт назад....ЗОД - в случае появления лишней энергии система прекратит работу
Вложения:

Пожалуйста Войти или Регистрация, чтобы присоединиться к беседе.

SR 193 - КАПА 5 ч. 17 мин. назад #131026

DELAMORTO
Живу я здесь
Живу я здесь
Сообщений: 2278
Спасибо получено: 1212
Юрик, отдохни пока... ты не в теме.
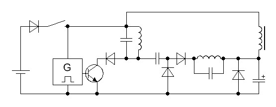
Схема обычный выпрямитель переменки для нагрузки, на работу схемы не влияет.


Если "умникам" глаза мозолит, уберем.
Вложения:

Пожалуйста Войти или Регистрация, чтобы присоединиться к беседе.

Последнее редактирование: от DELAMORTO.

SR 193 - КАПА 5 ч. 10 мин. назад #131027

DELAMORTO
Живу я здесь
Живу я здесь
Сообщений: 2278
Спасибо получено: 1212
Этот диод не дает затухать колебаниям , транзистору жить легче


Вообще цель получить колебания в LC контуре...для начала.
Вложения:

Пожалуйста Войти или Регистрация, чтобы присоединиться к беседе.

SR 193 - КАПА 4 ч. 54 мин. назад #131028

Юрий м
Живу я здесь
Живу я здесь
Сообщений: 975
Спасибо получено: 86

схема для дурачков... если на катоде диода появится больше чем он выпрямляет.... дальше небуду продолжать сами поймёте
Вложения:
Спасибо сказали: SMD

Пожалуйста Войти или Регистрация, чтобы присоединиться к беседе.

SR 193 - КАПА 4 ч. 18 мин. назад #131031

Bezant
Захожу иногда
Захожу иногда
Сообщений: 65
Спасибо получено: 32


Вообще цель получить колебания в LC контуре...для начала.
Этот контур не для колебаний,а для того, чтобы ловить наводку от генератора, расположенного под столом...
Желудь-теоретик знает, как вырасти в дуб (c) Кнышев
Спасибо сказали: SMD

Пожалуйста Войти или Регистрация, чтобы присоединиться к беседе.

SR 193 - КАПА 4 ч. 18 мин. назад #131032

SMD
Живу я здесь
Живу я здесь
Сообщений: 850
Спасибо получено: 109


схема для дурачков... если на катоде диода появится больше чем он выпрямляет.... дальше небуду продолжать сами поймёте

strannik-2.ru/index....t=510#9364

Пожалуйста Войти или Регистрация, чтобы присоединиться к беседе.

SR 193 - КАПА 4 ч. назад #131034

Юрий м
Живу я здесь
Живу я здесь
Сообщений: 975
Спасибо получено: 86


схема для дурачков... если на катоде диода появится больше чем он выпрямляет.... дальше небуду продолжать сами поймёте

strannik-2.ru/index....t=510#9364
SMD покупаеш такую плату

доделываеш её и нам показываеш платка стоит 31 руб с доставкой только на платке добавь сопротивление 2.2 ком его там нет и если при включении 3 нога окажется на корпусе микруха сгорает
aliexpress.ru/item/1...0808734626
Вложения:
Спасибо сказали: SMD

Пожалуйста Войти или Регистрация, чтобы присоединиться к беседе.

Последнее редактирование: от Юрий м.

SR 193 - КАПА 3 ч. 57 мин. назад #131035

mishail71
Живу я здесь
Живу я здесь
Сообщений: 491
Спасибо получено: 219

Юрик, отдохни пока... ты не в теме.
Схема обычный выпрямитель переменки для нагрузки, на работу схемы не влияет.


Если "умникам" глаза мозолит, уберем.
Вадик, а какую роль выполняют два дросселя в выходной части схемы?
И по входу все таки дроссель поставь...

Ток через проходную емкость в таком случае не должен превышать ток стабилизации стабилитрона..
Речь конечно же не идет о БТГ..
Просто убрал "лишнее"..на свой взгляд...
.
Вложения:

Пожалуйста Войти или Регистрация, чтобы присоединиться к беседе.

Последнее редактирование: от mishail71.

SR 193 - КАПА 3 ч. 32 мин. назад #131039

mishail71
Живу я здесь
Живу я здесь
Сообщений: 491
Спасибо получено: 219

Этот диод не дает затухать колебаниям , транзистору жить легче


Вообще цель получить колебания в LC контуре...для начала.
Если переход ключа биполярного транзистора(паразитная емкость), не попадает в резонансную частоту основного контура, смысла в данном диоде как бы нет..

Пожалуйста Войти или Регистрация, чтобы присоединиться к беседе.

SR 193 - КАПА 3 ч. 24 мин. назад #131041

Юрий м
Живу я здесь
Живу я здесь
Сообщений: 975
Спасибо получено: 86
mishail71. повторить её так никто и несмог. всё оказалось лажей. и я уже писал контур всегда выплюнет меньше.... эффект доплера

Пожалуйста Войти или Регистрация, чтобы присоединиться к беседе.

SR 193 - КАПА 3 ч. 13 мин. назад #131042

mishail71
Живу я здесь
Живу я здесь
Сообщений: 491
Спасибо получено: 219

mishail71. повторить её так никто и несмог. всё оказалось лажей. и я уже писал контур всегда выплюнет меньше.... эффект доплера
Юра, а я и не говорю, что там что то есть!!!
Там просто ошибки...по схеме. Фонариком Пантюхова, там и не пахнет..
Я так думаю!!!
Спасибо сказали: SMD

Пожалуйста Войти или Регистрация, чтобы присоединиться к беседе.

SR 193 - КАПА 3 ч. 11 мин. назад #131043

DELAMORTO
Живу я здесь
Живу я здесь
Сообщений: 2278
Спасибо получено: 1212


схема для дурачков... если на катоде диода появится больше чем он выпрямляет.... дальше небуду продолжать сами поймёте
Юрик оно так и работает- импульсно, за такт...Пантюхов что говорил- достаточно 2 всплеска. А без дросселя ты не утилизируешь всплеск. Как у смита в его доске!

Пожалуйста Войти или Регистрация, чтобы присоединиться к беседе.

Последнее редактирование: от DELAMORTO.

SR 193 - КАПА 3 ч. 5 мин. назад #131044

Юрий м
Живу я здесь
Живу я здесь
Сообщений: 975
Спасибо получено: 86


схема для дурачков... если на катоде диода появится больше чем он выпрямляет.... дальше небуду продолжать сами поймёте
Юрик оно так и работает- импульсно, за такт...Пантюхов что говорил- достаточно 2 всплеска. А без дросселя ты не утилизируешь всплеск. Как у смита в его доске!
из миллионов человек никто неповторил смита...пантюхова капанадзе...итд... всё оказалось фейком. ты слышал чтоб кто сказал мне свет и газ ненужен у меня есть всё своё
Спасибо сказали: SMD

Пожалуйста Войти или Регистрация, чтобы присоединиться к беседе.

Последнее редактирование: от Юрий м.

SR 193 - КАПА 2 ч. 51 мин. назад #131045

mishail71
Живу я здесь
Живу я здесь
Сообщений: 491
Спасибо получено: 219
Юра, если человек не ДУРАК, он вам и не будет об этом говорить.!!

Пожалуйста Войти или Регистрация, чтобы присоединиться к беседе.

Модераторы: chiksat
*
Время создания страницы: 0.240 секунд